モバイルエレキーの製作
初めてモービル運用したときは、FT-101を車の後部座席に置いて、BK-100を股の間に縦に挟んでいました。
今なら小さなダブルパドルで快適に運用できるのではないかと考えました。
MK-705, 706のダブルパドルが手元にあるので、トランシーバ付属のエレキーでエレバグを試したのですがミスの連発。
エレキーモードではスクイズキー動作なので短点が保証されるのですが、エレバグではその機能がありません。
長点から短点に移るとき、シングルレバーでは確実に長点を離れるのですが、ダブルレバーではタイミングのミスが発生するようで、短点が抜けるミスが多いと感じました。
CWリモートコントロールでその機能を盛り込んだ結果が良かったので、小型のエレキーを製作してみました。
↑"その機能"とは、パドルを両方同時に閉じると短点優先で短点の送出になるというものです。
さらにPCが近くにある時は、USB C で電源供給とコントロールできるようにバージョンアップしました。2023/05
Androidスマホで電源を供給、現在の設定状態の確認、設定の変更を行うプログラムを公開しました。2025/09
![]() |
![]() |

プログラム
elekey.c へのリンク
PCへ接続しての操作
スマホでのコントロール

単独でのエレキー操作説明
電池はCR2032/3Vです。
外部電源はセンタープラスで14V以下、10mA以上を接続してください。
CR2032電池で駆動した場合の消費電流は次の通りです。
スリープ時 6.5μA (キー操作後3秒でスリープします)
キーダウン時 1.53mA
アイドル時 1.23mA (キー操作後3秒以内)
リレー使用時のキーダウン 7.6mA
リレー使用時とはスライドスイッチを上にスライドさせた状態です。
上にスライドさせるとフォトカプラ出力となり、300V 100mAのスイッチングが出来ます。
この場合極性はありません。
電池駆動の場合、電圧が2.8Vを下回るとリレーが誤動作しますので、外部電源使用をお勧めします。
通常はスライドスイッチを下にして使用します。
MOSFETリレー動作となり、低消費電流になります。
極性はプラス制御です。
27V以下で使用します。(MOSFET保護に27Vツェナーダイオードが入っています)
ボタンの説明
赤いボタン:モード変更
緑のボタン:単点の長さ
橙のボタン:長短の比率
黒のボタン:長点の長さ
白いボタン:スピードアップ
青いボタン:スピードダウン
単独で動作するボタンは
赤、白、青です。
緑、橙、黒のボタンは、押しながら白(UP)、青(DOWN)を押すようになっています。
モード
1 スルー単式(モノラルプラグの縦ぶれなどを使用する場合)
2 スルー複式(ステレオプラグで往復電鍵を使用する場合)
3 バグキー(ステレオプラグでセンターが単点、サイドが長点とグランド)
4 エレキー(ステレオプラグでセンターが単点、サイドが長点とグランド)
デフォルトのモードはバグキーです。
赤いボタンを押す毎に次のようにモードが変わります。
エレキー スルー単式 スルー複式 バグキー エレキー・・・
青のLEDが0.1秒間点灯します。
赤いボタンを3秒以上押すと全てデフォルト値になります。
青と黄色のLEDが0.1秒間同時に点灯しますので、設定の目安にします。
バグキーモード
速度 100字/分
単長比 1:3
単点の長さ 変更なし
長点の長さ 変更なし
スピード調整(バグキー、エレキーモード)
デフォルトは100字/分
白いボタンを押すとスピードが上がります(青のLEDが0.1秒点灯します)。
最速は250字/分で、これ以上は上がりません。
押しても青のLEDは点灯しません。
青のボタンを押すとスピードが下がります(黄色のLEDが0.1秒点灯します)
最低値は50字/分で、これ以上は下がりません。
押しても黄色のLEDは点灯しません。
250
240
230
220
210
200
190
180
170
160
150
140
130
120
110
100 default
90 ↓白のボタン ↑青のボタン
80
70
60
50
バグキーとエレキーは別々に設定されます。
短長比
デフォルトは1対3です。
橙のボタンを押しながら白いボタンを押すと比率がアップします。
エレキーモード以外は動作しません。
1:2.8
1:3.0 default
1:3.2 ↓白のボタン ↑青のボタン
1:3.4
1.3.6
1:3.8
1:4.0
1:4.2
1:4.4
1:4.6
単点の長さ
デフォルトは1です。
緑のボタンを押しながら白いボタンを押すと長くなり、黒いボタンを押しと短くなります。
長くなった分スペースが短くなります。
バグキーモードとエレキーモード以外は動作しません。
0.5
0.6
0.7
0.8
0.9
1.0 default
1.1 ↓白のボタン ↑青のボタン
1.2
1.3
1.4
1.5
長点の長さ
デフォルトは1です。
黒のボタンを押しながら白いボタンを押すと長くなり、黒いボタンを押しと短くなります。
長くなった分スペースが短くなります。
エレキーモード以外は動作しません。
0.5
0.6
0.7
0.8
0.9
1.0 default
1.1 ↓白のボタン ↑青のボタン
1.2
1.3
1.4
1.5
ダウンロードファイル
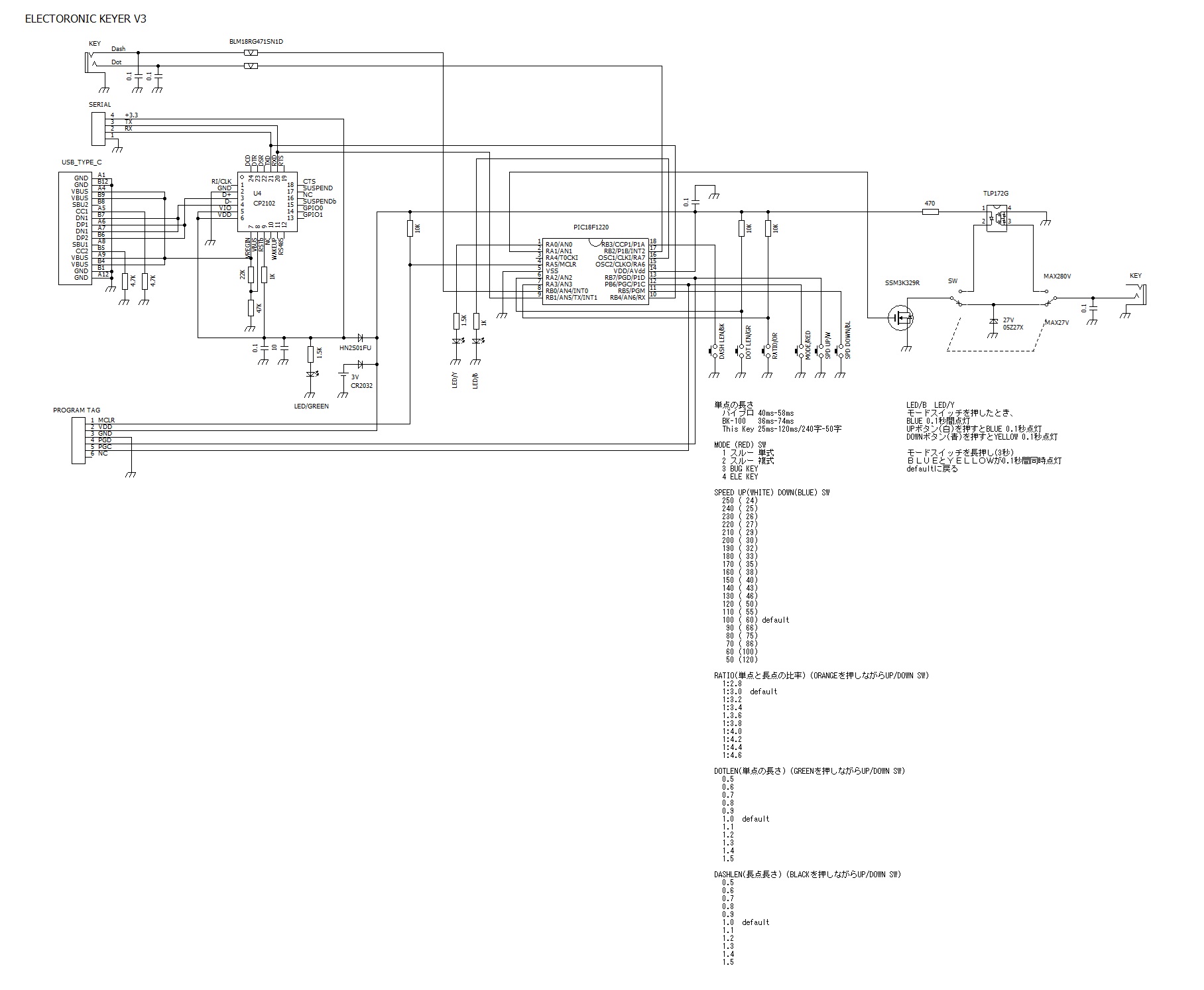
回路図 (無料の"水魚堂の回路図エディタ"を使用しています MSDOSの時代からお世話になっています 凄いことにずっと無料で通しています 感謝!)
mobile electronic keyer CE3
パターン図 (無料の"水魚堂のMinimal Board Editor(MBE)"を使用しています)
electronics_keyer mb3
ファイルを開いたら、'View'->'Polygon frame mode'のチェックを外します
プログラム (MPLAB X V6.00 xc8 compiler)
electric_keyer.X.zip
Windows用コントロールプログラム
MobileElekeyCont.zip
android スマホ用コントロールプログラム
mobileKey.apk
スマホでダウンロード&インストール https://www.ikd-net.com/files/mobilekey.apk
USB Cケーブルで接続します
![]()