PINダイオードを使用した高速アンテナ切替器の製作(CWフルブレークイン対応)
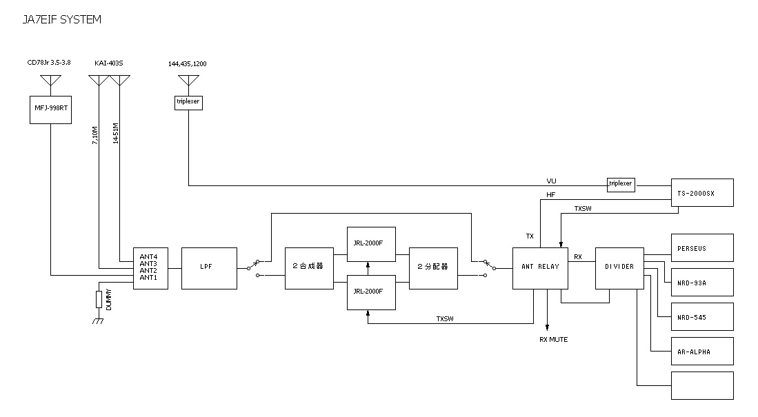
私のシャックは受信分配をしていますので、トランシーバーの後にアンテナ切替器が必須となります

リレーの音がうるさい
送信機から高周波が送信される前に切替を済ませる必要がある(切替が遅いと分配器が壊れる)
送信機やトランシーバーの切替速度を気にする必要を無くしたい
などの理由からPINダイオードを使用した切替器を製作しました

DCDCコンバーターは銅箔で覆い底面に設置
2022/12/07 現在 (DELAY時間を3.4msに変更IC-705対策)
回路図改定最終 2023/01/08

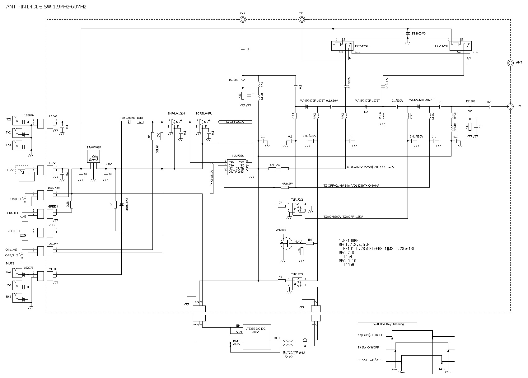
RXinは受信時にトランシーバーを使用したTX端子へ受信信号を戻す端子です(トランシーバーでも受信する)、ですからこの装置の後のデバイダーから接続します
ピンダイオードは(MA4P7470F-1072T)を使用しました
送受切替にはモータードライバー(NJU7386)を使用しました
200Vの電源には「strawberry-linux」の「LT8365 可変型昇圧DC-DCコンバーターモジュール」を使用しました(LT8365)
損失に直結するRFC1,2,3,4,5,6の特性は下図の通りです

測定結果は
受信損失↓

送信損失↓

送信時の受信端子アイソレーション↓

受信から送信への切替時間
青はTX SW 黄色はANT端子での高周波(測定用微弱電力 0dBm)
切替速度は立ち上がり240ナノ秒、立下りは500ナノ秒でした(下記の理由から遅延時間切り替えスイッチを付けました)
更に高速にするにはシュミットインバーターSN74LV1G14をインバーターTC7SU04FUに変更します

IC-7100Mを使用して、CWフルブレークインで思わぬトラブルが発生しました
アンテナデバイダーのICが壊れるので調べたところ、なんと!送信から受信へ変わる時、コントロ-ル端子の[HSEND]がHIGHになり受信状態にもかかわらず、2ミリ秒高周波電力が出ていると分かりました(IC-7100のリレー動作時間は2ms
なのでリレーのオフタイムを待たずに「受信」としている模様)
アイコムのSEND端子は完全に受信状態に切り替わってから「受信」にしてもらいたいものです。
入出力を兼ねている端子なので無理なのでしょうね。
仕方がないので送信から受信へは遅延することにしました
上記回路図でシュミットインバーター(SN74LV14)のプルアップを47KΩに変更して3.4msの遅延としています。(IC-705は3ms必要)
更に1msとの切り替えスイッチを追加しました
測定は黄色がSN74LV1G14の2番ピン、青色はTC7SU04FUの4番ピン
受信から送信への切替時間
200n秒

送信から受信への切替時間(3.4m秒)
またまた問題発生
DC-DCコンバーターは受信への影響を心配して、送信時だけ起動するようにしていましたが、起動時間が遅いことが判明(30ms)
更に常時起動状態でも、内部抵抗が高いためパスコンとの時定数が問題となりました
そのため、200Vラインのパスコンは0.1から0.01へ変更、更に電圧を最大(280V)として200Vまでの立ち上がり時間を短縮しています
受信時の雑音を心配しましたが、出力にめがねコアを使用したコイルを挿入し、基板を薄い銅板で覆ったところノイズは全く感じなくなりました
黄色はTX ON 青はDCDCの電圧
200Vへ到達する時間は1m秒
黄色はTX OFF(送信から受信へ切り替える) 青はDCDCの立下り電圧
1m秒かかっています
IC-7100用対策遅延
黄色はTX OFF(送信から受信へ切り替える) 青はDCDCの立下り電圧
3m秒かかっています
結果1ミリ秒の切替速度となりましたが、無音で良しとします^^;
IC-705を調べてみました。
驚くことにSEND端子が受信になってから出力を閉じるようです!
フルブレークイン KEY ON(SEND端子) → アンテナ出力 8ms

フルブレークイン KEY OFF (SEND端子)→ アンテナ出力 3ms

アイコムのトランシーバーのSEND端子は内部のアンテナ切替リレーのOFFを待たずに受信状態にするのですね。
この端子での制御には気を使わないといけませんね。
ディレー回路は必須のようです。
ちなみにTS-2000SXは
フルブレークイン KEY ON(RL端子をインバートしている) → アンテナ出力 10ms

フルブレークイン KEY OFF (RL端子をインバートしている )→ アンテナ出力 9ms

動作は遅いですが、きちんと出力が停止してから受信状態になっています。
これが当たり前だと思うのですが・・・
![]()